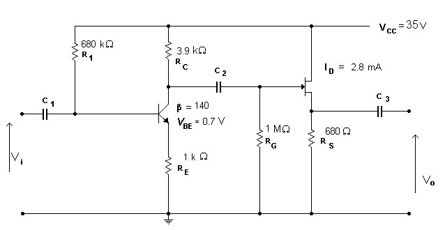
EL22C Practice Problems #2c   Saturday, May 5, 2001

Analyze the circuit below for Medium Frequencies and find:

(a) the DC operating voltages
(b) the input and output impedances
(c) the voltage, curent and power gain


EL22C Homepage