First the State Table, to find the F-F input functions

Then the Karnaugh Maps to simplify those F-F input functions

Then the State Analysis to find the next state for each of the unused states

Then we can do the State Diagram

We can also derive the State Equations for the device and simplify them using Karnaugh Maps

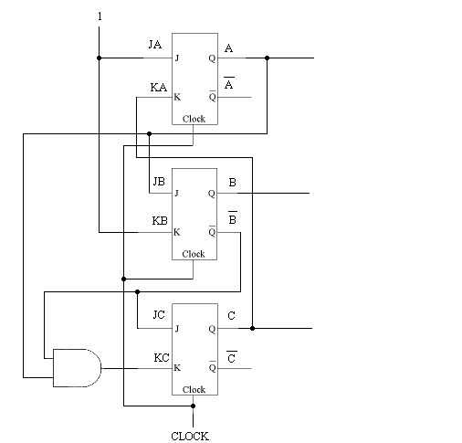
Finally we can draw the Logic Diagram (but this could also have been done right after finding the F-F input functions)

EL10B Homepage